小熊家电维修 半年换两任高管,小熊电器陷入危机三连:业绩下滑,质量投诉频发,股价腰斩

小编 203 3

半年换两任高管,小熊电器陷入危机三连:业绩下滑、质量投诉频发、股价腰斩

小熊电器近期频繁更换高管,引发市场对公司经营状况的担忧。6月18日,小熊电器发布公告称,财务总监冯勇卫因个人原因申请辞职,这是公司半年内第二次更换财务总监。如此频繁的人事变动,不禁让人质疑公司内部管理是否存在问题。

业绩持续下滑,小熊电器陷入增长困境

小熊电器作为"创意小家电第一股",曾经备受市场追捧。然而,近期公司业绩表现不佳,连续四个季度主业利润下降。2023年第一季度,公司营业收入为11.94亿元,同比下降4.58%;归母净利润和扣非净利润分别为1.51亿元和1.15亿元,同比下降8.53%和24.26%。这一趋势在后续季度仍在持续,2023年第四季度营业收入为13.94亿元,同比下降1.79%;归母净利润为1.30亿元,同比下降11.13%。

小熊电器的业绩下滑与其重营销轻研发的策略密切相关。2023年,公司销售费用高达8.84亿元,销售费用率达18.76%,远高于同行业平均水平。相比之下,研发投入仅为1.43亿元,研发费用率仅为3.03%。这种不平衡的投入策略,导致公司在产品创新和质量提升方面后劲不足,难以在激烈的市场竞争中保持优势。

产品质量频遭投诉,品牌形象受损

小熊电器不仅面临业绩下滑的困境,还频繁遭遇产品质量问题的投诉。根据12315消费者投诉平台和黑猫投诉平台的数据,小熊电器在产品质量和售后服务方面存在诸多问题。近期,消费者投诉平台上新增了两条关于小熊电器电水壶和电饭锅质量问题的投诉。这些投诉不仅影响了消费者对小熊电器的信任,也对公司的品牌形象造成了负面影响。

股价大幅下跌,市场信心待重建

受业绩下滑和产品质量问题的影响,小熊电器的股价自2020年7月23日的盘中高点165.90/股以来,累计下跌约70%。截至8月5日,小熊电器的收盘价仅为47.04市值缩水严重。

本文源自金融界

家电维修-三种常见电水壶(电开水器)的电路分析和故障检修

电路一

下图中电路由加热器、控制开关、温控开关、指示灯、限流电阻等组成。

1、电路分析

自动烧水

将开关K1拨到自控位置,电源开关K受压后触点闭合,此时220V市电经K的触点输入,第一路通过R1限流后为红色电源指示灯供电,第二路通过K1和供电端子进入壶体电路,利用温控开关为加热器供电,第三路通过R3限为绿色指示灯供电。当水受控后,温控开关的触点断开,切断加热电路,停止加热,进入保温状态。随着保温时间的延长,水温下降带一定程度后,温控开关的触点再次吸合,加热器再次加热,如此实现保温功能。

手动加热

将开关K拨到手动的位置,此时,市电不需经过温控开关,直接为EH供电,因此采用手动加热时,水开后,应及时断开,以免水烧干。

2、常见故障检修

不加热、电源指示灯不亮

是由于开关K或供电线路开路导致。检查电源线和电源插座是否正常,若不正常,检修或更换,若正常,检查电源开关K。

手动、自动都不加热、电源指示灯亮

可能原因一:开关K1异常,二、供电端子异常,三:加热器异常。如果加热器两端有电,说明加热器开路,若无电,用万用表测量K1和供电端子是否通断。

手动加热正常、自动不加热

温控开关、功能开关K1或接线异常。用万用表测量这些部件。

加热温度低

可能原因一:温控开关异常,二:加热器异常。若手动加热正常,则说明温控开关异常,若手动开关不正常,检查加热器是否阻值增大,另外开关K或K1的触点碳化也会产生该异常。

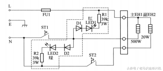
电路二

下图是一款分体式快速电水壶。此类水壶由壶体与底座两部分组成,其中底座为壶体供电;见下图

该电路由温控器ST1,ST2,加热器EH1,EH2,过热熔断器FU1,指示灯等构成。见下图。

1、烧水、保温电路

当壶体放在底座上,底座上的升降保护换被压下,将L,N,ST1,ST2的触点导通,于是市电进入壶体电路。当水温较低,温控器ST1,ST2触点接通,市电电压经热熔断器FU1,ST1,ST2输入,利用D1,D2半波整流,通过R1,R2限流,为发光管LED1,LED2供电,使它们同时发光,另一路为加热器EH1,EH2供电,开始加热,水温超过温控器ST2设定的温度后,ST2断开,使EH2停止加热,LED2熄灭,此时仅由EH1继续加热,当水温达到ST1设定的温度,ST1断开,EH1停止加热,LED1熄灭。进入保温状态,当水温下降到ST2的闭合温度后,ST2触点导通,EH2开始加热,LED2发光,水温超过温控器ST2设定的温度后,ST2断开,使EH2停止加热,LED2熄灭,如此在ST2的控制下实现保温功能。

2、过热保护电路

当温控器ST1,ST2异常使加热器加热时间过长,导致加热温度达到FU1的标称值后FU1熔断,切断市电输入回路,实现断电保护。

3、常见故障检修

不加热、指示灯不亮

如果指示灯不亮,说明供电线路、温度熔断器FU1开路。首先,检查电源线和电源插座是否正常,若不正常,检修或更换,若正常,说明内部电路异常,用万用表检查FU1是否开路。如果FU1开路。则检查ST1,ST2的触点是否粘连,加热器是否击穿。

指示灯LED1亮,EH1不加热

检查加热器EH1及其接线。万用表交流电压档测EH1有无220V左右的市电电压输入,若有,说明EH1开路,若无,说明供电线路异常。

加热温度低

主要是温控器ST1异常,导致EH1加热不足,仅由EH2加热,所以产生该故障。只要通过测量EH1的供电就可以确认是EH1损坏,还是ST1损坏。

不能保温

说明温控器ST2或加热器EH2异常。测量EH2有220V左右的供电电压,说明EH2开路,若无供电,检查ST2及线路。

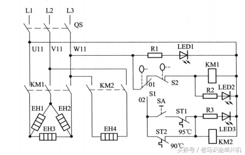
电路三

见下图,该电路由水位开关S1,S2,温控器ST1,ST2加热器EH1,EH2,EH3,EH4,交流接触器KM1,继电器KM2,指示灯LED1-LED3等组成。

水位开关、加热器及水箱结构见下图。

1、加热电路

加热电路由加热器EH1-EH3,水位开关S1/S2,交流接触器KM1等构成。当冷水箱水位达到要求后,水位开关S导通,而热水箱内水位较低时,水位开关S1的动触点接01端,此时220V市电一路通过R2限流使LED2发光,另一路为交流接触器KM1的线圈供电,使KM1的3路触点闭合,接通加热器EH1-EH3的供电回路,开始加热,水开后产生水蒸气,水蒸气的推力将开水顶入热水箱,使水位升高,当热水箱的水位达到要求后,S1动作,它的动触点改接02点,切断KM1供电回路,加热器EH1-EH3停止加热,进入保温状态。

2、保温电路当水温低于90度,温控器ST2接通,此时市电一路通过R3位LED3供电,另一路为继电器KM2供电,KM2闭合,加热器EH4开始加热,当水温超过90度后,ST2断开,这样,ST2控制实现保温。

3、再沸腾电路

再沸腾电路由开关SA,加热器EH4,继电器KM2构成。需要再沸腾的时候,按下开关SA,市电电压通过SA,温控器ST1为KM2供电,KM2导通,为EH4供电,加热热水箱内的水,水温超过95度后,ST1断开,停止加热。

4、常见故障检修

不加热、指示灯LED1不亮

检查供电线路,刀闸QS,通过检查QS进线端和出线端电压即可确认是否QS异常,还是线路异常。

不加热,LED1亮,LED2不亮

检查供电线路,测量S1、S2的阻值,看它们是否开路。

不加热,LED2亮

交流接触器KM1异常,检查KM1的线圈有无供电即可确认,有供电,KM1异常,无供电,供电线路异常

加热温度低

加热器EH1-EH3或其供电电路异常,测量加热器的阻值判断其是否开路,也可测量加热器有无供电来判断。

不能保温

加热器EH4或其供电线路异常。先看指示灯LED3

是否发光,不发光,检查水位开关S1及供电线路,发光,测EH4两端有无供电,有供电,EH4异常,无供电,检查KM2。

水沸腾后仍加热

一是检查水位开关S1是否异常,二是检查温控器ST1或ST2是否异常。先看指示灯LED2是否始终发光,若是,检查S1,若不是,检查ST1或ST2。

相关问答

求解小熊电器全国维修点哪家好一点?-安居客房产问答

小熊电器全国维修点找南京熊猫家电维修经营部比较不错,在南京市六合区园林西路9-13号,他家的维修很好,特别的专业,工作人员都是很热情敬业,维修好,...

小熊养生壶常见故障及排除方法?

注水后,消毒停止后水没有干,消毒时间不够;二、所有指示灯都正常,但发热盘不热;消毒指示灯闪烁(或按消毒烘干时)机器不能正常;四、消毒时不工作,消毒烘干时...

小熊电器保修期?

一年小熊品牌的电器都是有售后保障的,通常可以保修一年的时间,在一年内出现任何质量问题都是无条件修理的,但是超过了保修期所产生的费用就需要自己承担了。...

小熊电蒸锅e00故障怎么修理-ZOL问答

4.联系售后服务:如果以上方法无效,则建议联系小熊售后服务中心寻求帮助。提供具体故障信息并向他们描述问题细节,他们会为您提供更详细的修理指导或安排人员上...

小熊电器售后电话是多少-安居客房产问答

400-662-2580

小熊电器为何急转直下?

小熊电器走大众化、低端化,产品创新能力整体比较低,没有太多的品牌溢价能力,质量屡屡出现问题,与其'轻研发重营销'的模式有一定关联。小熊电器走大众化、低端...

请问小熊电器2019到2021年总资产周转率下降,应该采取什么对...

说明资产周转减慢,提高收入,盘活闲置资产等

小熊电热水壶生产厂家及售后服务?

小熊电热水壶的生产厂家是小熊电器股份有限公司。这家公司一直致力于精致创新小家电的研发、生产和销售,拥有经验丰富的研发团队和营销团队,骨干人员具有10多...

小熊家电是贴牌的吗?

是的。小熊,南极人、恒源祥、花花公子、太子龙、富贵鸟、稻草人都是贴标品。第一贴牌生产专业成为“OEM”简单来讲比如说美的的一款产品随便举例子吧如烟机吧,...

小熊电器如何确定真伪?

要确定小熊电器是否真伪,可以从以下几个方面入手:查看包装和标识:真正的小熊电器产品包装精美,标识清晰,字体工整,没有错别字或拼写错误。同时,包装上应...